Характеристики
Описание
Купить промышленный робот-манипулятор CRP RA18-30 по низкой цене. Бесплатная доставка по СПб, МСК и РФ в день заказа, гарантия от 1 года, официальный сервис. Поможем выбрать, звоните: 8 962 611-24-19.
Особенности
- Длина руки позволяет обрабатывать большинство деталей малых, средних и крупных производств.
- Робот может быть установлен на полу/потолке или под углом.
- В единый блок CD60-CRX8 интегрированы контроллер и синхронный сервопривод, а также специальные контактные выводы задач робота.
- Шкаф электроавтоматики оптимизирует ускорения и замедления робота исходя из его фактической нагрузки.
- Пульт обучения робота CRP-C выполнен из прочного пластика и оснащен цветным сенсорным экраном с расположенными вокруг кнопками управления.
- Независимый аварийный выключатель обеспечивает безопасность оператора.
- Кабели с повышенным уровнем гибкости обеспечивают беспрепятственную и стабильную работу робота.
- Робот должен быть установлен вдалеке от горючих или коррозионных жидкостей и газов, источников электрических помех.
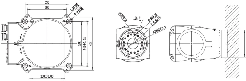
Технические характеристики
| Форма руки | Вертикальный узловой шарнир | |
| Степень подвижности | 6 осей | |
| Макс. нагрузка | 30 кг | |
| Макс. охват | 1835,6 мм | |
| Точность повторного позиционирования | ± 0,05 мм | |
| Масса | 250 кг | |
| Уровень шума | < 80 Дб | |
| Способ крепления | К поверхности пола, потолка, под углом | |
| Требования к условиям использования | ||
| Средняя температура | 0-45°C | |
| Относительная влажность | 20-80% (без конденсата) | |
| Уровень защиты | IP54 (оси 1-4) IP67 (оси 5-6) |
|
| Применение | Сборка, перемещение, шлифовка, маркировка, лазерная и плазменная резка | |
Параметры движения и скорости по осям
| Ось | № 1 | № 2 | № 3 | № 4 | № 5 | № 6 |
| Диапазон движения по осям (на полу/потолке) | -170°~170° | -60°~175° | -85°~145° | -190°~190° | -130°~130° | -360°~360° |
| Диапазон движения по осям (под углом) | -30°~30° | -60°~175° | -85°~145° | -190°~190° | -130°~130° | -360°~360° |
| Макс. скорость движения по осям | 110°/сек | 100°/сек | 120°/сек | 260°/сек | 220°/сек | 450°/сек |
| Допустимый крутящий момент | - | - | - | 62 Н·м | 62 Н·м | 35 Н·м |
| Допустимый инерционный момент | - | - | - | 1,5 кг/м² | 1,5 кг/м² | 0,7 кг/м² |
























































































































