Характеристики
Описание
Купить лазерный источник Max MFMC-30000W по низкой цене. Бесплатная доставка по СПб, МСК и РФ в день заказа, гарантия от 1 года, официальный сервис. Поможем выбрать, звоните: 8 962 611-24-19.
Особенности
- Полностью герметичная конструкция.
- Возможность настройки длины волоконного кабеля.
- Высокая производительность при обработке тонких и толстых материалов.
- Разъем LOE.
- Компактный размер, простота установки.
- Строгий контроль качества, высокая стабильность и надежность.
- Не требуют технического обслуживания.
Технические характеристики
| Номинальная мощность | 30000 Вт | ||||||
| Вес оборудования | 1140 кг | ||||||
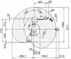
| Габариты оборудования (Ш×Д×В) | 1050×1909×1658 мм | ||||||
| Оптические выходные характеристики | |||||||
|---|---|---|---|---|---|---|---|
| Выходной разъем | LOE | ||||||
| Диаметр сердцевины выходного волокна | 150/200 мкм | ||||||
| Длина волоконного кабеля | 20 м (настраивается) | ||||||
| Радиус изгиба | 200 мм | ||||||
| Оптические свойства | |||||||
| Режим работы | CW/модулированный | ||||||
| Состояние поляризации | Случайная | ||||||
| Возможность настройки мощности | 10-100% | ||||||
| Длина волны | 1080±5 нм | ||||||
| Частота модуляции | ≤ 5 кГц | ||||||
| Пилотный лазер | 200 мкВт | ||||||
| Качество лазерного излучения, BPP | 5-6,5 мм×мрад (150 мкм QBH) 8-10 мм×мрад (200 мкм QBH) |
||||||
| Характеристики электронного блока управления | |||||||
| Входная мощность | 400 В (от -15% до +10%) переменного тока, трехфазный | ||||||
| Прочие характеристики | |||||||
| Рабочая температура | от +10 до +40°C | ||||||
| Температура хранения | от -10 до +60°C | ||||||
| Влажность воздуха | 10-80% | ||||||
| Метод охлаждения | Водяное охлаждение | ||||||
| Охлаждающая жидкость | Дистиллированная вода/гликолевый антифриз | ||||||













































































