Характеристики
Описание
Купить промышленный робот KUKA KR CYBERTECH nano KR 6 R1840-2 arc HW по низкой цене. Бесплатная доставка по СПб, МСК и РФ в день заказа, гарантия от 1 года, официальный сервис. Поможем выбрать, звоните: 8 962 611-24-19.
Особенности
- Может принимать любое положение при установке.
- Контроллер для оптимизации точности или скорости.
- Длительный срок службы.
- Подходит для компактных ячеек.
- Максимальная точность при высокой скорости.
- Легко интегрируется в существующие производственные линии.
- Новое полое запястье KUKA 50 мм. Полая ось позволяет уменьшить перемещение главной оси, сократить время цикла и обеспечить максимальную точность движений.
- Защита от электростатического разряда.
- Большой радиус действия.
- Использование современных контроллеров KUKA облегчает интеграцию внешних осей.
Технические характеристики
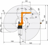
| Макс. радиус действия | 1843 мм |
| Макс. нагрузка | 12,6 кг |
| Номинальная нагрузка | 6 кг |
| Точность повторного позиционирования | ±0,04 мм |
| Количество осей | 6 шт |
| Способ крепления | Потолок, Угол, Пол, Стена |
| Диапазон рабочих температур | от 0° C до 55° C |
| Контроллер | KR C5 |
| Площадь рабочей зоны | 333,5×307 мм |
| Масса | 175 кг |
| Класс чистоты (ISO 14644-1) | Класс 5 при превышении 40%; Класс 5 при превышении 80% |
| Класс защиты | (IEC 60529) IP65, запястье робота (IEC60529) IP54 |
| Сертификаты | IEC61340-5-1; ANSI/ESD S20.20 |















































































