Характеристики
Описание
Купить головка для лазерной резки труб WSX NC63C с автофокусом до 6 кВт по низкой цене. Бесплатная доставка по СПб, МСК и РФ в день заказа, гарантия от 1 года, официальный сервис. Поможем выбрать, звоните: 8 962 611-24-19.
Особенности
- Быстрая регулировка фокуса.
- Волоконно-оптический интерфейс имеет разъем QBH.
- Стабильная оптическая конфигурация и сбалансированная плавная структура воздушного потока значительно повышают эффективность и качество резки.
- Мониторинг состояния в режиме реального времени: внутренняя температура, влажность, давление воздуха и др.
- Водяное и воздушное охлаждение.
- Пыленепроницаемый корпус с высокой степенью герметичности.
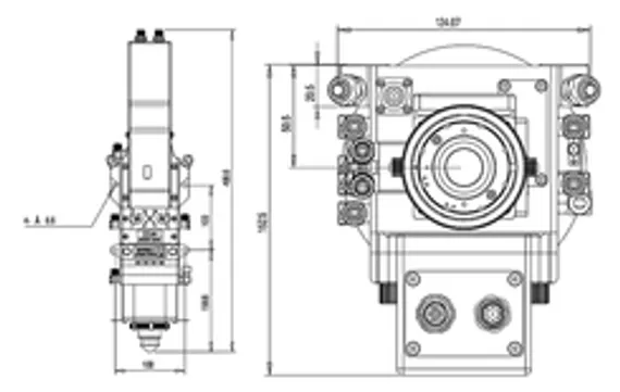
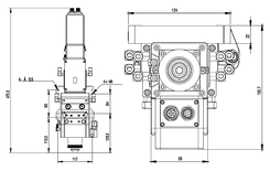
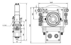
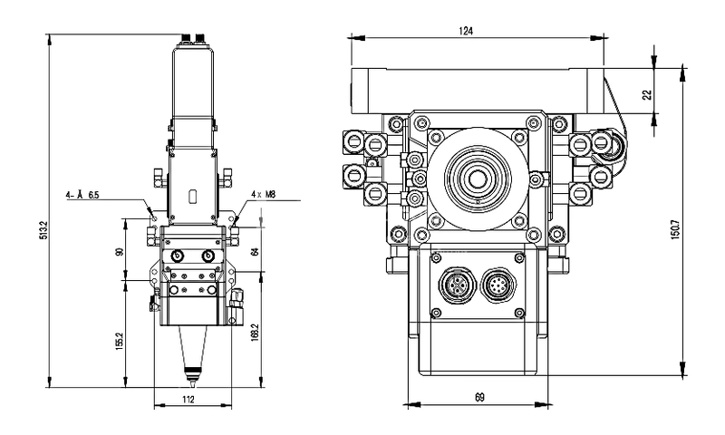
Технические характеристики
| Применимая мощность | 6 кВт |
| Оптоволоконный интерфейс | QBH |
| Световой диаметр | 32 мм |
| Регулировка фокуса | Автоматическая |
| Горизонтальный диапазон фокусировки | ±1,5 мм |
| Вертикальный диапазон фокусировки | ± 25 мм |
| Номинальное фокусное расстояние | 150/200 мм |
| Фокусное расстояние коллиматорной линзы | 100 мм |
| Вспомогательное давление газа | 25 бар |
| Масса | 7,5 кг |







































