Характеристики
Описание
Купить промышленный робот KUKA KR 1000 titan, KR 1000 1300 titan PA по низкой цене. Бесплатная доставка по СПб, МСК и РФ в день заказа, гарантия от 1 года, официальный сервис. Поможем выбрать, звоните: 8 962 611-24-19.
Особенности
- Высокие динамические характеристики.
- Точно и безопасно обрабатывает самые тяжелые заготовки и детали.
- Обеспечивает оптимальное время цикла благодаря высокой скорости и динамическому ускорению.
- Высокая производительность.
- Контуры с низким уровнем вмешательства расширяют используемую рабочую зону.
- Робот KR 1000 titan обладает широкими возможностями применения: в качестве паллетизатора или в сочетании с линейными осями.
- Может быть легко интегрирован в существующие системы без необходимости адаптации.
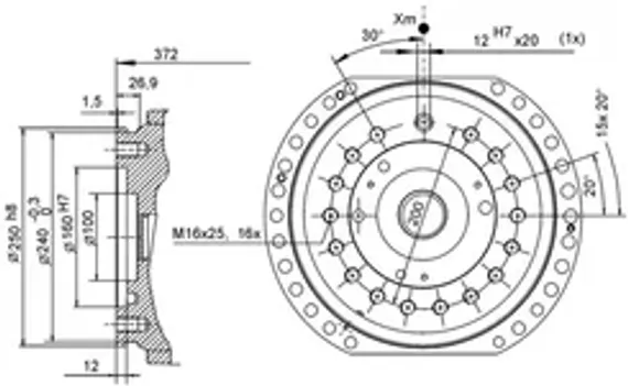
Технические характеристики
| Макс. радиус действия | 3202 мм |
| Номинальная нагрузка | 1300 кг |
| Макс нагрузка | 1300 кг |
| Макс. дополнительная нагрузка, вращающаяся колонна / звено / рычаг | 0 / 0 / 100 кг |
| Точность повторного позиционирования | ±0,01 мм |
| Количество осей | 4 шт |
| Способ крепления | Пол |
| Контроллер | KR C4; KR C5 |
| Масса | 4690 кг |
| Диапазон рабочих температур | от 10° C до 55° C |
| Степень защиты | (IEC 60529) IP65 Запястье робота (IEC60529) IP65 |





















































































