Характеристики
Описание
Купить пресс ручной реечный EMG 4HR LP от 236544 ₽. Бесплатная доставка по СПб, МСК и РФ в день заказа, гарантия от 1 года, официальный сервис. Поможем выбрать, звоните: 8 962 611-24-19.
Особенности
- Быстрая и надежная регулировка высоты зазора.
- Автоматический подъем ползуна под действием пружины.
- Обладает высокой надежностью, точностью и эргономичностью.
- Переключатель регулируется и фиксируется для вращения, обеспечивая долговечность и точность.
- Опора основания и прижимная головка изготовлены из чугуна FGL 250, что обеспечивает прочность и жесткость.
- Точная регулировка нижней "мертвой" точки с помощью механического упора, обеспечивающий повторяемость цикла.
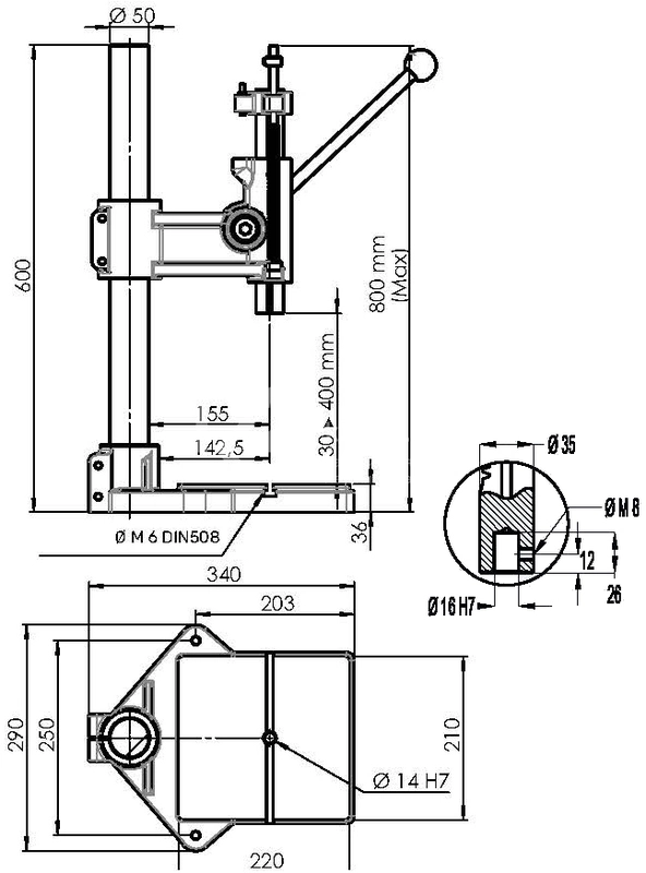
Технические характеристики
| Макс. усилие | 600 кг |
| Макс. вылет штока | 100 мм |
| Регулируемая высота | 30-400 мм |
| Габариты стола | 210×220 мм |
| Угол вращения на 1 мм хода штока | 3°37' |
| Глубина рейки | 155 мм |
| Калибровое отверстие | 16H7×26 мм |
| Паз рабочего стола | 14H7 |
| Масса | 38 кг |









































































































