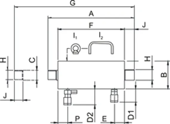
Характеристики
Описание
Купить губки для растяжения металла для шринкера SS-18/FD по низкой цене. Бесплатная доставка по СПб, МСК и РФ в день заказа, гарантия от 1 года, официальный сервис. Поможем выбрать, звоните: 8 962 611-24-19.
Не уверены, подойдёт ли Губки для растяжения металла для шринкера SS-18/FD под ваши задачи?
- Скажем честно, хватит ли этого под ваши толщины и режим работы.
- Сравним Губки для растяжения металла для шринкера SS-18/FD с 1–2 альтернативами по функционалу и бюджету.
- Подберём комплект «под ключ»: аппарат, проволоку, маску, краги и расходники.
- Предоставим документы для юрлиц: счёт с НДС, договор, закрывающие.
- Отправим товар день в день ТК СДЭК либо Деловые Линии.
- Если нужно — вышлем персональный купон на скидку.
























































