Характеристики
Описание
Купить маркировочный ударный пресс EMG PM 30 по низкой цене. Бесплатная доставка по СПб, МСК и РФ в день заказа, гарантия от 1 года, официальный сервис. Поможем выбрать, звоните: 8 962 611-24-19.
Особенности
- Точность и долговечность с отрегулированным ползуном, заблокированным для вращения.
- Автоматический подъем ползуна под действием пружины.
- Быстрая и надежная регулировка высоты зазора.
- Механический стопор, обеспечивающий повторение цикла.
- Опора основания и прижимная головка изготовлены из чугуна FGL 250.
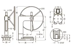
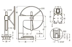
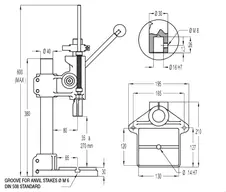
Технические характеристики
| Макс. усилие | 3000 кг |
| Макс. высота детали | 400 мм |
| Полный ход механизма | 50 мм |
| Габариты стола | 165×165 мм |
| Расстояние от центра стержня до станины | 140 мм |
| Мин. размер знака | 0,2 мм |
| Размер штока | Ø10×40 мм |
| Масса | 30 кг |
































































