Характеристики
Описание
K2 — Патрон магнитный круглый для станков Heden ∅100 мм, арт. 710.088 купить в Санкт-Петербурге, Москве по ценам производителя. Технические характеристики. ✔ Бесплатная доставка по России. ✔ Гарантия и сервис. ✔ Лизинг.
Особенности
- Отсутствие зажимов позволяет обработать все грани заготовки за одну установку.
- Равномерное распределение магнитного поля обеспечивает надежный зажим.
- Удельная сила сцепления постоянного магнита достигает 100 Н/см².
- Шаг магнитного материала составляет 0,5+1 P (1,5 мм) / 3,0+1 P.
- Специальное антикоррозионное покрытие защищает от загрязнения.
- Длительный срок службы.
Технические характеристики
| Шаг магнитного материала | 3,0+1 P | 0,5+1 P | ||||||
| Сила сцепления | до 100 Н/см² | |||||||
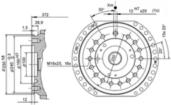
| Высота | 45 мм | |||||||
| Диаметр | ∅100 мм | ∅125 мм | ∅160 мм | ∅200 мм | ∅250 мм | ∅300 мм | ∅320 мм | ∅400 мм |
| Ширина магнита (B) | - | 80 мм | 115 мм | 155 мм | 205 мм | 255 мм | 275 мм | 355 мм |
| Крепежный винт | - | M6 | M8 | M10 | M10 | M10 | M10 | M10 |
| Масса | - | 4,6 кг | 6,6 кг | 8,9 кг | 15,3 кг | 21,6 кг | 37 кг | 42,5 кг |
| Артикул | 710.088 | 710.082 | 710.083 | 710.084 | 710.085 | 710.086 | 710.089 | 710.087 |











































































