Характеристики
Описание
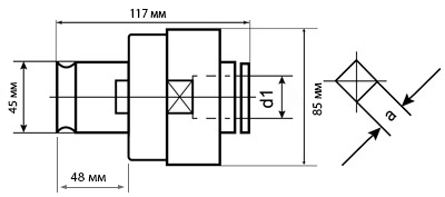
Купить головка резьбонарезная предохранительная, тип GT42, М30, 22х18 мм, DIN 376 из наличия от 7083 ₽. Бесплатная доставка по СПб, МСК и РФ в день заказа, гарантия от 1 года, официальный сервис. Поможем выбрать, звоните: 8 962 611-24-19.
Технические характеристики
| Резьба | Диаметр хвостовика (d1) | Квадрат метчика (а) |
|---|---|---|
| M30 | 22 мм | 18 мм |
| M33 | 25 мм | 20 мм |
| М36 | 28 мм | 22 мм |
| М39/40 | 32 мм | 24 мм |





























