Характеристики
Описание
Купить линейка оптическая SINO KA-300, 120 мм, 5 мкм из наличия от 9332 ₽. Бесплатная доставка по СПб, МСК и РФ в день заказа, гарантия от 1 года, официальный сервис. Поможем выбрать, звоните: 8 962 611-24-19.
Особенности
- Металлический корпус служит защитой от попадания смазочно-охлаждающей жидкости, стружки и защищает от прочих повреждений.
- Крепление линейки осуществляется на кожух, который устанавливается на оборудование.
- Конструкция с пропорциональными размерами и высокой жесткостью.
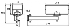
Технические характеристики
| Длина измерения | 70/120/170/220/270/320/370/ 420/470/520/570/620/670/720/ 770/820/870/920/970/1020 мм |
| Точность измерения | ± 1; 5 мкм |
| Цена деления | 0,02 мм |
| Дискретность | 5 мкм |
| Скорость перемещения | 60 м/мин |
| Референтная точка | 1 на каждые 50 мм |
| Поперечное сечение | 25×34 мм |
| Параметры питания | 5 В (5%), 80 мА |
| Тип выходного сигнала | TTL |
| Длина кабеля | 3 м |
| Рабочая температура | 0-45 ℃ |





























































