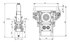
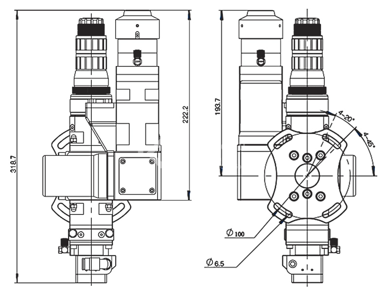
Характеристики
Описание
Купить головка для лазерной сварки WSX ND15 с колеблющимся лучом до 2 кВт по низкой цене. Бесплатная доставка по СПб, МСК и РФ в день заказа, гарантия от 1 года, официальный сервис. Поможем выбрать, звоните: 8 962 611-24-19.
Особенности
- Сварочный шов повышенной прочности (по сравнению с традиционными способами сварки).
- Имеет различные режимы поворота.
- Волоконно-оптический интерфейс имеет разъем QBH.
- Совместимость с различными манипуляторами и станками.
- Структура защитного зеркала представляет собой выдвижной механизм, который удобно и просто заменить.
- Пыленепроницаемый корпус с высокой степенью герметичности.
Технические характеристики
| Применимая мощность | 2 кВт |
| Оптоволоконный интерфейс | QBH |
| Световой диаметр | 27 мм |
| Номинальное фокусное расстояние | 150/200 мм |
| Фокусное расстояние коллиматорной линзы | 75/100 мм |
| Масса | 3,6 кг |











































































