Характеристики
Описание
Купить головка для лазерной сварки WSX ND40 до 4 кВт по низкой цене. Бесплатная доставка по СПб, МСК и РФ в день заказа, гарантия от 1 года, официальный сервис. Поможем выбрать, звоните: 8 962 611-24-19.
Особенности
- Сварочный шов повышенной прочности (по сравнению с традиционными способами сварки).
- Имеет значительные преимущества при сварке средних и толстых листов и крупных деталей.
- Волоконно-оптический интерфейс имеет разъем QBH.
- Совместимость с различными манипуляторами и станками.
- Структура защитного зеркала представляет собой выдвижной механизм, который удобно и просто заменить.
- Оснащена устройством водяного охлаждения.
- Пыленепроницаемый корпус с высокой степенью герметичности.
- Опциональные компоненты: сопло коаксиальной подачи.
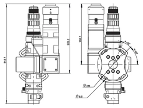
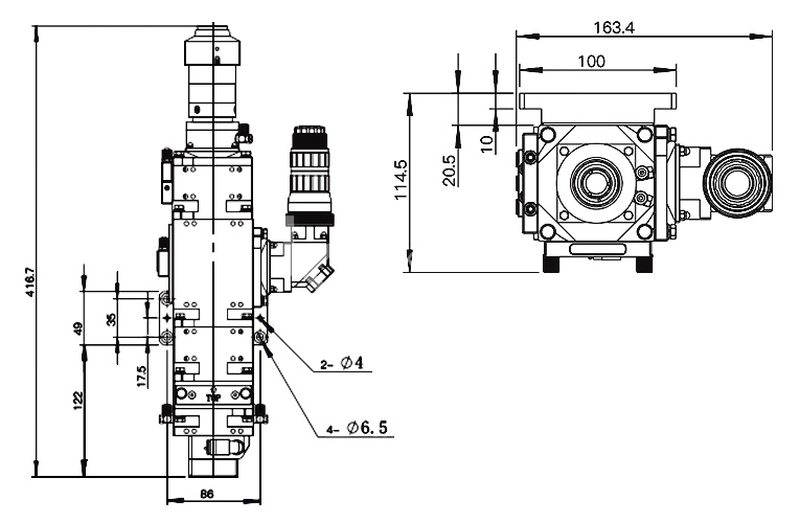
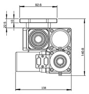
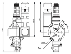
Технические характеристики
| Применимая мощность | 4 кВт |
| Оптоволоконный интерфейс | QBH |
| Световой диаметр | 48 мм |
| Номинальное фокусное расстояние | 200/300 мм |
| Фокусное расстояние коллиматорной линзы | 100/150 мм |
| Масса | 4,2 кг |









































































