Характеристики
Описание
Купить промышленный робот KUKA KR CYBERTECH nano KR 10 R1420 по низкой цене. Бесплатная доставка по СПб, МСК и РФ в день заказа, гарантия от 1 года, официальный сервис. Поможем выбрать, звоните: 8 962 611-24-19.
Особенности
- ESD-защита. Робот защищен от неконтролируемого электростатического заряда или разряда (ESD) и поэтому подходит для работы с чувствительными электронными компонентами.
- Программные дополнения. С помощью цифровых режимов движения можно с легкостью менять параметры робота через контроллер - например, для оптимизации точности или скорости.
- Подходит для использования во влажной или суровой среде.
- Главные оси защищены от пыли и воды по классу IP 65, а оси запястий - по классу IP 67.
- Благодаря обтекаемому корпусу робот идеально подходит для использования в ограниченном пространстве.
Технические характеристики
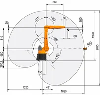
| Макс. радиус действия | 1420 мм |
| Макс. нагрузка | 10 кг |
| Точность повторного позиционирования | ±0,04 мм |
| Количество осей | 6 шт |
| Способ крепления | Потолок, Угол, Пол, Стена |
| Диапазон рабочих температур | от 5° C до 45° C |
| Контроллер | KR C4 smallsize-2; KR C4 compact |
| Площадь рабочей зоны | 333,5×307 мм |
| Масса | 160 кг |













































































