Характеристики
Описание
Купить промышленный робот KUKA KR AGILUS, KR 10 R1100 HM-SC по низкой цене. Бесплатная доставка по СПб, МСК и РФ в день заказа, гарантия от 1 года, официальный сервис. Поможем выбрать, звоните: 8 962 611-24-19.
Особенности
- Быстрота ввода в эксплуатацию.
- Интуитивно понятный пользовательский интерфейс.
- Управление через smartPAD pro.
- Опция: предварительно сконфигурированный захват.
- Измерение усилий процесса с помощью датчиков крутящего момента на шарнирах.
- Поддержка HRC.
- Простое техническое обслуживание с использованием зон вмешательства.
- Внутренняя кабельная трасса для подачи питания.
- Быстрая смена задач.
- Подключение к экосистеме iiQKA.
- Большой рабочий радиус, малая занимаемая площадь.
- Проверенный в промышленности.
- Сочетание преимуществ обычного робота и кобота.
Технические характеристики
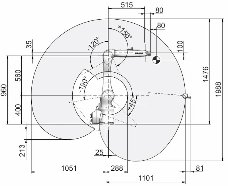
| Макс. радиус действия | 1101 мм |
| Макс. нагрузка | 10 кг |
| Точность повторного позиционирования | ±0,03 мм |
| Количество осей | 6 шт |
| Площадь рабочей зоны | 320×320 мм |
| Способ крепления | Угол, Потолок, Пол, Стена |
| Диапазон рабочих температур | от 0° C до 35° C |
| Контроллер | KR C5 micro; KR C4 compact. |
| Масса | 64 кг |















































































